021-63095600
首页
关于我们
公司简介
关于品牌
荣誉资质
产品中心
生产控制系统
环境分析仪表
现场仪表
控制器·记录仪·数据采集仪器
新闻中心
公司新闻
行业动态
联系我们
产品展示
TG23-S-06手转阀,stnc手转阀,索诺天工控制元件
首页
/
产品中心
/
转阀
F-系列阀
T-系列阀
高频阀
97100 32电磁阀
TGV膜片式电磁阀
YH系列高压换向阀
手拉阀/手扳阀
转阀
手控阀/机控阀
脚踏阀/单向节流阀
二通阀
ZF系列角座阀
压力控制器
PK系列和TF系列电磁阀
脉冲阀
附件
其他阀类和震荡器
产品标题:TG23-S-06手转阀,stnc手转阀,索诺天工控制元件
产品ID:
VIB20120520125310734
品 牌:
STNC索诺天工
所在地:中国 上海
价 格:面议 (大量采购价格面议)
库存状态:
货期待查
更新日期:2025-4-24 3:33:25
咨询电话:(+86)021-63095600
咨询Q Q:
705716926
产品简述
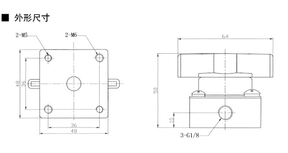
TG23-S-06二位三通转阀
产品详情
型号、项目
功能
接管螺纹
通径(mm)
使用流体
压力范围
动作方式
润滑
介质温度
TG23-S-06
二位三通
G1/8
φ2.8
空气
0~1.0MPa
直动式
不需要
-5~60℃
产品型号
双作用气缸 DSEU-12-25-P-A
双作用气缸 DSEU-12-40-P-A
双作用气缸 DSEU-12-50-P-A
双作用气缸 DSEU-12-80-P-A
双作用气缸 DSEU-12-100-P-A
双作用气缸 DSEU-12-125-P-A
双作用气缸 DSEU-12-160-P-A
双作用气缸 DSEU-12-200-P-A
双作用气缸 DSEU-16-10-P-A
双作用气缸 DSEU-16-25-P-A
双作用气缸 DSEU-16-40-P-A
双作用气缸 DSEU-16-50-P-A
双作用气缸 DSEU-16-80-P-A
双作用气缸 DSEU-16-100-P-A
前一页
C-AS4201F04-12S,限出型,控制器系列 - 速度控制阀
后一页
C-AS4201F04-12S,限出型,控制器系列 - 速度控制阀
产品中心
更多产品
MORE+
G322A-06R手控阀,stnc手控阀,二位三通手控阀
G321PPL手控阀,stnc手控阀,索诺天工控制元件
TG2511H-06手拉阀,stnc手拉阀,索诺天工控制元件
G322LB手控阀,stnc手控阀,索诺天工控制元件
G322R手控阀,stnc手控阀,索诺天工控制元件
G322PPL手控阀,stnc手控阀,索诺天工控制元件
TH-402手拉阀,stnc手拉阀,索诺天工控制元件
TG3541B-15C,STNC气动控制元件,机械阀,手板阀
气动接口组件 CPV14-EP-U-QS
气动接口组件 CPV14-EP-S-U-QS
气动接口组件 CPV14-EP-B-U-QS
气动接口组件 CPV14-EP-S-B-U-QS
电话:
021-63095600
传真:
021-51698592
手机:
021-51698592
地址:上海市宝山区恒高路127弄6号楼2202室
首 页
关于我们
公司简介
品牌介绍
企业荣誉
产品中心
生产控制系统
环境分析仪表
现场仪表
控制器·记录仪·数据采集仪器
新闻中心
公司新闻
行业动态
联系我们