021-63095600
首页
关于我们
公司简介
关于品牌
荣誉资质
产品中心
生产控制系统
环境分析仪表
现场仪表
控制器·记录仪·数据采集仪器
新闻中心
公司新闻
行业动态
联系我们
产品展示
CH-35,40.5Q/300触盒头
首页
/
产品中心
/
绝缘件系列
电流互感器0.38-0.66KV户内
电压互感器0.38-1.14KV户内
零序电流互感器户内
电流互感器10-12KV
电压互感器3,6,10,12kv户内
组合互感器
放电线圈
电流互感器10-12KV户外
电流互感器20KV户内
电压互感器15-20KV户内
电流互感器35-40.5KV户内
电流互感器30-40.5KV户外
电压互感器30-40.5KV
绝缘件系列
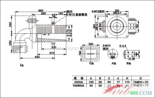
产品标题:CH-35,40.5Q/300触盒头
产品ID:
VIB20091231144651734
品 牌:
泰成互感器
所在地:中国 上海
价 格:面议 (大量采购价格面议)
库存状态:
货期待查
更新日期:2025-7-27 1:46:38
咨询电话:(+86)021-63095600
咨询Q Q:
705716926
产品简述
CH-35,40.5Q/300触盒头
产品详情
产品型号
双作用短行程气 ADVC-20-10-I-P
双作用短行程气 ADVC-20-15-I-P
双作用短行程气 ADVC-20-20-I-P
双作用短行程气ADVC-20-25-I-P
双作用短行程气ADVC-20-5-A-P-A
双作用短行程气ADVC-20-10-A-P-A
双作用短行程气ADVC-20-15-A-P-A
双作用短行程气ADVC-20-20-A-P-A
双作用短行程气ADVC-20-25-A-P-A
双作用短行程气ADVC-20-5-A-P
双作用短行程气ADVC-20-10-A-P
双作用短行程气 ADVC-20-15-A-P
双作用短行程气 ADVC-20-20-A-P
双作用短行程气ADVC-20-25-A-P
前一页
CHS-10Q三相连体静触头座
后一页
CHS-10Q三相连体静触头座
产品中心
更多产品
MORE+
JDZJ-15电压互感器
LJWD-10电流互感器
LJ-∮75型零序电流互感器
JSJW-10电压互感器
LJWD1-10.35电流互感器
JDZ2-1型电压互感器
JDZX2-12W电压互感器
LM-6Q型电流互感器
双作用短行程气ADVC-16-25-I-P-A
双作用短行程气 ADVC-16-5-I-P
双作用短行程气 ADVC-16-10-I-P
双作用短行程气ADVC-16-15-I-P
电话:
021-63095600
传真:
021-51698592
手机:
021-51698592
地址:上海市宝山区恒高路127弄6号楼2202室
首 页
关于我们
公司简介
品牌介绍
企业荣誉
产品中心
生产控制系统
环境分析仪表
现场仪表
控制器·记录仪·数据采集仪器
新闻中心
公司新闻
行业动态
联系我们