021-63095600
首页
关于我们
公司简介
关于品牌
荣誉资质
产品中心
生产控制系统
环境分析仪表
现场仪表
控制器·记录仪·数据采集仪器
新闻中心
公司新闻
行业动态
联系我们
产品展示
CDW7-2000 1250/1250 3P固定式无欠压AC380V,CDW7系列万能式断路器,DELIXI德力西
首页
/
产品中心
/
断路器系列
风机系列
控制器系列
电容器系列
互感器系列
电磁铁系列
接触器系列
断路器系列
燃气表系列
继电器系列
熔断器系列
变频器系列
电阻器系列
避雷器系列
硅整流系列
防爆电器系列
电线电缆系列
接线端子系列
电缆附件系列
仪器仪表系列
隔离开关系列
主令电器系列
配电照明箱系列
跌落式熔断器系列
智能压力变送器系列
温控仪、热电偶系列
母线槽、电缆桥架系列
电涌保护器SPD系列
起动器、软起动器系列
光电开关、接近开关系列
压力表系列、温度计系列
双电源自动切换开关系列
墙壁开关、民用换气扇系列
稳压器、变压器、调压器系列
中间转换器、不间断电源
声光报警
产品标题:CDW7-2000 1250/1250 3P固定式无欠压AC380V,CDW7系列万能式断路器,DELIXI德力西
产品ID:
VIB20100808220402734
品 牌:
DELIXI德力西
所在地:中国 上海
价 格:面议 (大量采购价格面议)
库存状态:
货期待查
更新日期:2025-10-31 1:37:07
咨询电话:(+86)021-63095600
咨询Q Q:
705716926
产品简述
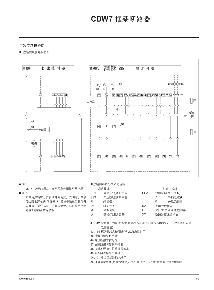
CDW7系列万能式断路器
(以下简称断路器)主要适用于交流50Hz,额定工作电压为
400V、690V
,额定电流为
200A~6300A
的配电网络中,用来分配电能和保护线路及电源设备免受过载、欠电压、短路和接地等故障的危害。断路器核心部件采用智能型脱扣器,具有精确的选择性保护,可避免不必要的停电,提高供电系统的可靠性、连续性和安全性。
产品详情
产品型号
双作用气缸 DSEU-16-10-P-A
双作用气缸 DSEU-16-25-P-A
双作用气缸 DSEU-16-40-P-A
双作用气缸 DSEU-16-50-P-A
双作用气缸 DSEU-16-80-P-A
双作用气缸 DSEU-16-100-P-A
双作用气缸 DSEU-16-125-P-A
双作用气缸 DSEU-16-160-P-A
双作用气缸 DSEU-16-200-P-A
MASTER UNIT D:FU-MU -D
MASTER UNIT D:FU-MU -GB
MASTER UNIT D:FU-MU -CH
MASTER UNIT D:FU-MU -USA
MASTER UNIT D:FU-MU -AUS
前一页
CDW7-2000 1250/1250A 3P 固定式 AC380V,CDW7系列万能式断路器,DELIXI德力西
后一页
CDW7-2000 1250/1250A 3P 固定式 AC380V,CDW7系列万能式断路器,DELIXI德力西
产品中心
更多产品
MORE+
CDW7-2000 1600/1600A 4P 抽屉式 AC220V,CDW7系列万能式断路器,DELIXI德力西
CDW7-3200 2000/2000 3P抽屉式AC220V拼锁附,DELIXI德力西
DW16-2000 1600A 电动 电磁式 分励AC220V附,DW16万能式断路器,DELIXI德力西
CDW1-2000 630/600 3P固定式 AC220V,CDW1系列万能式断路器,DELIXI德力西
DW15-630 400/315A 热式AC380V,DW15万能式断路器,DELIXI德力西代理
CDW7-2000 2000/2000 3P抽屉式AC380V,CDW7系列万能式断路器,DELIXI德力西
CDW1-2000 2000/2000 3P抽屉AC220V欠压380V,CDW1系列万能式断路器,DELIXI德力西
CDW1-2000 630A 3P固定式DC220V H型无欠附,CDW1系列万能式断路器,DELIXI德力西
双作用气缸 DSEU-12-160-P-A-MA
双作用气缸 DSEU-12-200-P-A-MA
双作用气缸 DSEU-16-10-P-A-MA
双作用气缸 DSEU-16-25-P-A-MA
电话:
021-63095600
传真:
021-51698592
手机:
021-51698592
地址:上海市宝山区恒高路127弄6号楼2202室
首 页
关于我们
公司简介
品牌介绍
企业荣誉
产品中心
生产控制系统
环境分析仪表
现场仪表
控制器·记录仪·数据采集仪器
新闻中心
公司新闻
行业动态
联系我们