| 产品标题:TG34-S-15,天工STNC,转阀 产品ID: 品 牌:STNC索诺天工 所在地:中国 上海 价 格:面议 (大量采购价格面议) 库存状态:货期待查 更新日期:2025-4-24 12:40:53 咨询电话:(+86)021-63095600 咨询Q Q: 705716926 |
200909/2009092309120520948.gif 公司已通过 ISO9001:2000国际质量体系认证、欧盟ROHS指令认证及CE认证、美国UL认证
公司不断引进国际先进生产技术与设备,现有厂房 20000平方米,各类设备515台,其中数控车床76台,加工中心6台,精密自动轴芯机2台以及电脑控制检测设备3台、超声波清洗机2台,确保了高精度、高效率、高品质生产。
| 图形符号
| ||||||||||||||||||||||||||||||||||||||||
● 订购代码 | ||||||||||||||||||||||||||||||||||||||||
■ 技术参数
| ||||||||||||||||||||||||||||||||||||||||
|
| ||||||||||||||||||||||||||||||||||||||||
| ● TG34-S-06 TG34-S-08
|
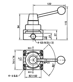
● TG34-S-10 TG34-S-15
| |||||||||||||||||||||||||||||||||||||||
