产品展示
LZW-10、LZW-12 全封闭电流互感器
首页 / 产品中心 / 电流互感器
产品标题:LZW-10、LZW-12 全封闭电流互感器
产品ID:VIB20091214102427734
品  牌:VABO华波互感器
所在地:中国 上海
价  格:面议 (大量采购价格面议)
库存状态:货期待查
更新日期:2025-10-17 4:34:39
咨询电话:(+86)021-63095600
咨询Q Q: 705716926
产品简述

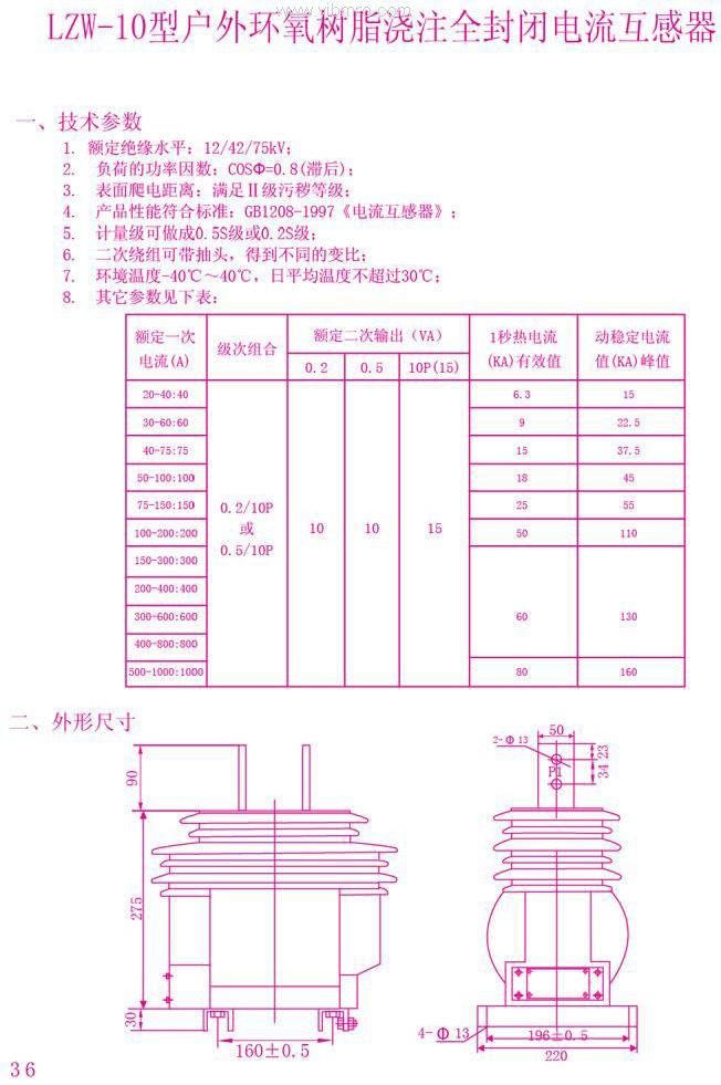
LZW-10、LZW-12 全封闭电流互感器

产品详情

LZW-10户外全封闭电流互感器

本型电流互感器为户外环氧树脂浇注绝缘全封闭结构。适用于额定电压10kV及以下,额定频率50Hz或60Hz的户外电力系统中作电流、电能测量和继电保护使用。